ลูกล้อระบบเซ็นทรัลล็อกCentral locking2ระบบ ลูกล้อ8นิ้วแกน28มม. ลูกล้อเตียงผู้ป่วย ล้อเตียงโรงพยบาล TENTE

คุณสมบัติสินค้า:

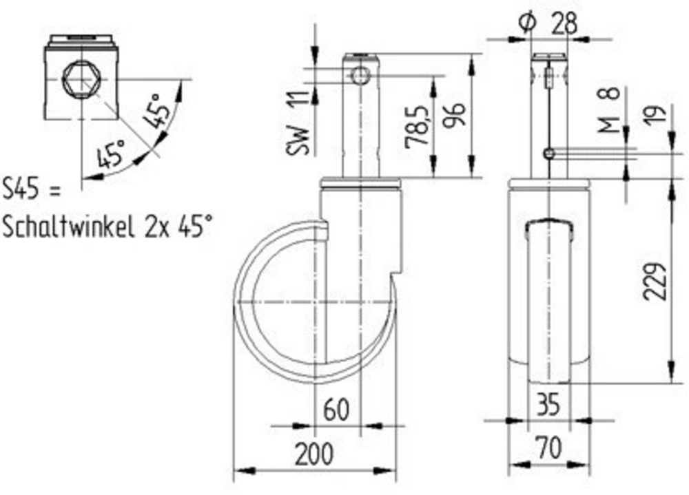
Central locking2ระบบ ลูกล้อ8นิ้วแกน28มม.มีขนาด200มม.รับน้ำหนัก150-450กก.ต่อลูก

แบรนด์ : TENTE

Share

ลูกล้อระบบเซ็นทรัลล็อกCentral locking2ระบบ ลูกล้อ8นิ้วแกน28มม. ลูกล้อเตียงผู้ป่วย ล้อเตียงโรงพยบาล TENTE

ลูกล้อสำหรับกลุ่มงานโรงพยาบาล และคุรุภัณฑ์การแพทย์ ที่โรงพยาบาลชั้นนำทั่วโลกยอมรับ

ลูกล้อจากประเทศเยอรมัน ลูกล้อคุณภาพที่ได้มาตรฐาน DIN EN ISO 9001

คุณสมบัติเด่นของล้อระบบ Central Locking Caster

✅ รองรับน้ำหนักสูงสุด 150-450 กก./ลูก – แข็งแรง ทนทาน ตอบโจทย์การใช้งานที่ต้องการรองรับน้ำหนักมาก
✅ ระบบล็อก Central Locking – สามารถควบคุมทิศทางและล็อกล้อได้ง่าย เพียงจุดเดียว เพิ่มความสะดวกและปลอดภัยสูงสุด
✅ วัสดุคุณภาพสูง – ล้อยางช่วยลดแรงกระแทก เงียบ และไม่ทำให้พื้นเป็นรอย

เหมาะสำหรับการใช้งานในโรงพยาบาลและสถานพยาบาล – ใช้กับเตียงผู้ป่วย อุปกรณ์แพทย์ และเครื่องมือที่ต้องการความคล่องตัว


รายละเอียดสินค้า

รหัส1TT-2046UAX200R26-28
Central locking2 ระบบ
ขนาดเส้นผ่าศูนย์กลาง200มม.
ขนาดหน้าล้อ35มม.
ความยาวแกน96มม.
แกนโต28มม.
ความสูง229มม.
รับน้ำหนัก150-450กก
wheel tradePolyurethane
CentrePolyurethane
BearingPrecision ball bearing, sealed
Housing MaterialSteel sheet
BearingPrecision ball bearing
BrakeDirectional brake and total lock
Stand dardEAN 4031582300260

  

 

Powered by MakeWebEasy.com
เว็บไซต์นี้มีการใช้งานคุกกี้ เพื่อเพิ่มประสิทธิภาพและประสบการณ์ที่ดีในการใช้งานเว็บไซต์ของท่าน ท่านสามารถอ่านรายละเอียดเพิ่มเติมได้ที่ นโยบายความเป็นส่วนตัว  และ  นโยบายคุกกี้